现在社会大环境供过于求,很多公司都在倒闭降薪裁员,根本提供不了那么多岗位,,,未来叠加AI技术迭代,还会替代很多人的岗位(高低端通杀),,,除了国家强制征税圈养大多数普通人,好像没啥更好的办法计划生育,优生优育
赞同来自: ybdeepblue 、散户救星 、tianshen1994 、穿风 、xyyxiaoyumao更多 »
行业专家利用Ai给行业赋能,比如电力工程师能用AI优化电网调度,医疗专家能用AI辅助癌症筛查。
如果你是白痴,AI就会放大你的智商缺陷。
如果你是天才,Ai就会放大你的智商。
Ai只是工具,人的能力差距绝对不会有了工具就能拉平能力差距,相反会放大差距。
赞同来自: tianshen1994 、竹语松涛 、理想已实现 、pierreroger
行业专家利用Ai给行业赋能,比如电力工程师能用AI优化电网调度,医疗专家能用AI辅助癌症筛查。
如果你是白痴,AI就会放大你的智商缺陷。
如果你是天才,Ai就会放大你的智商。
Ai只是工具,人的能力差距绝对不会有了工具就能拉平能力差距,相反会放大差距。
赞同来自: lock318
原文是“更为有效的途径是学习如何使用和管理这些"AⅠ博士"”,不知道是不是指的卷背景我讲个故事。
N多年前,蒸汽机出来后,可能当时的人也在想卷人工技巧已经没意义了,更为有效的途径是学习如何使用这些机器。嗯,后来就变成了我们现代的卷学历。
启示就是,任何一样变革都会变成某代人之后的基本能力。不变的还是对更高更先进知识的探索和研究,而这个可能还是会以学历的方式来表现。
有了本科学历,就天天在梦想要硕士研究生学历!有了硕士研究生学历,就天天在动脑筋想要博士生学历!!!这些人天天在做升官发财的大梦啊!!!
赞同来自: franckC 、jackymin001 、稳若老狗
一般广义的来看,学习 好的人生活都不会很差,因为这就是一种学习,努力和坚持得能力,这种能力除了可以学习,更可以用到生活,工作中
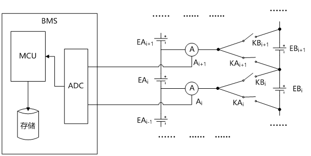
目前,全球所有的电池管理系统(BMS)都只能做到测量外部电压和温度,而无法测量到电芯内部具体情况。因为不知道内部情况,所以就一直烧!
我这个发明的采用了用电芯测量电芯思路,监测的是各电芯间的差异电流,并通过数学模型解算出各电芯的内部情况。
赞同来自: franckC 、JiangSH2020 、neverfailor 、homanking 、新星新星76 、 、 、更多 »
大学如果没认真读,总是打游戏逃课,那这个大学等于没读。真的知识也可以从大学课堂学习,也可以从互联网学习,但如果从好的大学学习,有好的老师指导,比自己摸索自学更好。
举个例子吧,如果你要学习量化投资、金融工程一类的硬核课程,找个好的大学学习,比在网上找课程学习更好,网上课程良莠不齐,很多都是为了卖课的。大学里面如果课程设置合理,老师水平高,同学互相激励,学起来科班生是很占优势的。即使有一些大学可能课程比较脱离业界实际,但基础知识还是要全面学习的。而且好的大学可以参加各类讲座,可以背书你的能力到合适的公司实习,也可以自己到网上找资料学习,都是提高自己的途径。
为了找个好的大学学习,可能你需要在基础教育阶段卷成绩,这样你才能进入理想的高等学府,也需要家庭给与经济支持,支付学费和其他的费用。但关键是你想学习什么,你的智商、体力能不能适应这样的高强度学习过程,以及你自己对自己的未来的规划。
不是为了学历而读书,是为了求知。
赞同来自: xlqy灿烂千阳ch
一个人的学习,我认为,就是要有正确的认知,这个问题,很难。有的人活了一辈子,还在想着天国救赎;有的人,给点甜头就上个大当;ai能不能给人以正确的认知,我看是没有可能。感觉学历教育并不引导普通人进入正确认知的道路。
学历教育,只是引导普通人进入正确认知这条路吧,能走多远,是否走歪,也得分人。
AI事实上更加的拉大了人的认知差距,有了ai,上网一搜,给出了答案,问题是,问题是,给的东西对不对啊。能相信吗。
希望是我的错觉。
学历教育,只是引导普通人进入正确认知这条路吧,能走多远,是否走歪,也得分人。
AI事实上更加的拉大了人的认知差距,有了ai,上网一搜,给出了答案,问题是,问题是,给的东西对不对啊。能相信吗。
赞同来自: KevinLe 、萝卜耳朵 、JiangSH2020 、neverfailor 、有耐心的普通人 、更多 »
如果打工,学历就是百万年薪职位的入场券便于HR快速筛选,如果是创业初期一无所有学历就是你和投资人沟通时为数不多能够有的加分项,更不提校友圈子和导师资源这样的隐藏加分项。
只要不是二代或者有超能力,都很难绕开学历,这是社会规则的体现,尊重规则花点时间拿一个过得去的学历绝对是值得的。否则需要更多的成本去解决我没有牛逼的学历但是我其实很牛逼
AI真正撼动的,并非学历本身,而是其构筑的知识壁垒。当“知晓”不再是少数人的特权,学历所承载的传统“能力光环”便无可避免地趋于黯淡;然而,学历所凝聚的学术共同体价值与品牌背书效力,依然在时代洪流中保有其独特分量。
二、 学历的信号价值:衰减中的筛选功能,尚未退场的通行证
1. 初筛的效率工具: 面对海量简历,企业仍需一把成本低廉的标尺。学历凭借其高度的标准化与可验证性,短期内仍是招聘者难以割舍的筛选利器。诚如《史记》所言:“千人之诺诺,不如一士之谔谔。” 在信息洪流中,学历依然是识别潜在“谔谔之士”的初步坐标。
2. 能力代理的失准: AI工具的普及,使本科生借助大模型即可产出媲美昔日硕士水准的代码或报告。学历作为“能力代理”的精准度因而骤降,迫使企业不得不在学历之外,叠加审视作品集、专业测评与实习履历。这意味着学历的信号功能虽未消亡,却已从唯一主角退居为配角之一。
3. 重塑的筛选格局: 未来招聘流程必将演化为“学历初筛 + AI作品评估 + 现场技能实测”的三段式结构。学历的重要性虽被相对稀释,却仍在第一道闸门处发挥着无可替代的作用——它依然是社会共识最广、争议最小的基础通行证。
三、 学历的网络价值:难以被AI复制的精英生态圈
1. 信任网络的稀缺性: 顶尖学府汇聚的导师、同窗、校友基金及产业联盟,共同编织了一张高信任度、低交易成本的协作网络。孔子有云:“三人行,必有我师焉。” 此“师”不仅指学识,更蕴含同侪砥砺、前辈提携的珍贵情谊与信任。AI在可预见的未来,尚无法生成人与人之间这种深厚的情感背书与长期积累的声誉资本。
2. 创新资源的汇聚点: 未来十年的尖端硬科技创业,核心舞台仍将聚焦于少数精英大学。资本、政策、顶尖人才与媒体资源在此高度集聚,而学历,正是叩开这一核心资源网络的关键入口。
四、 学历的能力价值:AI与开放资源正在“拆墙”而非“筑墙”
1. 知识壁垒的瓦解: 当大语言模型能将顶尖学府的课程精华、实验数据与前沿洞见推送到每个人的指尖,系统性知识训练便不再被象牙塔的围墙所垄断。严谨的求证精神、跨学科的思维框架,如今完全可依托自学、在线协作与全球同行评议得以锤炼。此乃“旧时王谢堂前燕,飞入寻常百姓家”的知识民主化图景。
2. 路径依赖的陷阱: 那些固守“学历即唯一能力凭证”观念者,往往因循守旧,错失了开源工具与动态演进的社区共识,反易陷入“文凭即真理”的认知窠臼。这正应了培根之叹:“灰心生失望,失望生动摇,动摇生失败。” 对单一路径的过度依赖,终将限制个体的认知视野与发展可能。
3. 价值重估与路径分化: 由此可见,学历所象征的深度与严谨,正被AI与开放资源解构为可灵活调用的模块。它不再是能力放大的必由之路,而仅仅是多元路径中的一条可选坦途。《礼记·礼运》所描绘的“大道之行也,天下为公”境界,在知识获取领域正前所未有地接近现实。 一个能力为真、路径多元的时代正在到来。
所以,AI目前还很不专业,专业的人用AI可以更专业
AI目前的长处还是将人类从枯燥乏味的海量数据分析中解脱出来,比如用于作战时,通过航拍和卫星拍摄的照片,将各种型号装备和人员识别出来,确定优先打击目标
往常需要几千个人高强度处理的图像,现在AI+几名工作人员审核,就可以大致完成;但在此之前,要建立庞大的数据库,和很多的人力,提供基础的型号和图片确认,也就是说在真正强大的AI出现前,还是需要海量人力提供铺垫的
AI无疑西方占优,但三毛战争还没一边到甚至AI弱得多的大毛还处于优势一方,可以侧面看出,AI凌驾(碾压)于人力的时代,至少今天还没有到来
不然大毛早就兵败如山倒了
赞同来自: nannite 、ericericeric 、Dolch 、猪尾巴草77 、阿邦查 、 、 、 、 、 、 、 、更多 »
比如红绿灯,红灯停,绿灯行
然后,就红绿色盲问题,等等
其实,可以找把锤子,把所有的绿灯都敲掉
然后,也不会有什么影响。。。
当然这不是很严谨的举例
这种创新,通常既有好的一面,也有不好的一面
前不久,我有个申请,已经解决了动力电池包的均衡难题和衰老评估难题,特别是可以及早预报自燃风险。不过我不认为有人会买我这个专利。因为这个自燃、失速什么的,根本就不是很急迫的事情。现在的企业,关心的只是怎么才能把车子卖出去
在我看来,世界的运转是建立在各种错误上面的,就像这个市场。这才是世界运行的方式。即便这样,AI的出现,还是会断掉很多路
赞同来自: 李乐毅 、我想吃蛇羹 、电动自行车 、newbison
能卷学历的不是普通人,普通人卷不了学历。全国每年能考上本科的学生数大约也只有对应出生年份总数的25%左右,75%的普通人是没资格上本科的,然后再从这25%的本科生中再筛选出硕士、博士。2025年已经70%的人可以上本科了,有些省份都不限分征集本科。高考信息要更新。
shuifeng2009
- 修身齐家
赞同来自: happysam2018 、穿风
Edge
Chrome
Firefox


京公网安备 11010802031449号